一、单项选择题(共15题,每题1分,共15分。将正确答案选项的编号填入答题卡相应位置,选对得分,不选、选错均不得分。)
1、市政工程规费中排污费、社保费及住房公积金的计算以( )为取费基数。
A、直接工程费中人工费
B、直接工程费+措施费+综合费用
C、直接工程费中人工费+机械费
D、直接工程费和施工技术措施费中人工费及机械费之和
2、关于市政工程类别划分正确的是( )。
A、高架路属于道路工程一类
B、牵引管工程属于排水工程一类
C、隧道工程按隧道类型及隧道截面宽度进行分类
D、给水工程中有两种及其以上不同管径时,按管径取定类别
3、以下费用项目不属于其他项目清单费用的是( )。
A、暂列金额
B、工程暂估计
C、风险费用
D、总承包服务费
4、下列项目中不可计取脚手架搭设费用的是( )。
A、道路挡墙块石护脚,砌筑高度1.2m
B、砖砌圆形阀门井,井深超过1.8m
C、砌石管渠砌筑物高度1.5m
D、排水检查井深度1.8m
5、人工在支撑下挖三类土(含水率25%),定额基价应乘系数( )。
A、1.43
B、1.69
C、1.18
D、2.61
6、现浇现拌C20(40)卵石混凝土的单价为( )元/m3(卵石价格37.35元/t)
A、176.65
B、190.91
C、192.94
D、196.09
7、管径为DN800的HDPE双壁缠绕管沟槽土方有支撑开挖,沟槽深3.5m,开挖宽度设计无明确的,则编制施工图预算时沟槽开挖宽度为( )mm。
A、800
B、860
C、1500
D、1700
8、2010版市政计价依据中,降水深度为8m的定额考虑的降水方案为( )。
A、深井降水
B、轻型井点
C、喷射井点
D、大口径井点
9、地下连续墙混凝土浇捣工程量计算时,应按设计长度乘以墙厚及墙深加( )以“m3”计算。
A、0.5m
B、1m
C、1倍墙厚
D、0.5倍墙厚
10、某老路改建项目,采用手持凿岩机破除原18cm厚三渣基层,则套用的定额编号为( )。
A、1-225H
B、1-227H
C、1-245H
D、1-247H
11、100根钢筋砼管桩,外径400mm,壁厚65mm,路上打桩,原地面标高-0.3m,桩顶标高-2.3m,计算其送桩工程量( )。
A、200m
B、300m
C、20.523m3
D、37.699m3
12、隧道内衬施工中,凡处理地震、涌水、流沙、坍塌等特殊情况所采取的必要措施,必须做好签证和隐蔽验收手续,所增加的人工、材料、机械等费用( )。
A、综合考虑
B、另行计算
C、包括在定额内
D、不予计算
13、某给水工程定型砖砌圆型收口式阀门井,井内径2.4m,井深4.1m,共5座,则其定额直接费为( )元。
A、3386
B、3535
C、17675
D、16930
14、砖砌排水检查井的井深指的是井底( )至井顶盖的距离。
A、基础底面
B、基础顶面
C、垫层底面
D、垫层顶面
15、某燃气管道工程,输送压力P为1.0Mpa,氩电联焊DN400碳钢管(单价:400元/米)安装,其定额基价为( )元/10m。
A、4276
B、4038
C、4320
D、4354
二、多项选择题(共5题,每题2分,共10分。将正确答案选项的编号填入答题卡相应位置,选对得分,不选、错选均不得分;少选无错项,每项得0.5分。)
1、关于《建设工程工程量清单计价规范》(GB50500-2008)中的强制性条款,下列说法正确的是( )。
A、采用招投标的工程建设项目,必须采用工程量清单计价
B、采用工程量清单方式招标,工程量清单必须作为招标文件的组成部分,其准确性和完整性由招标人负责
C、分部分项工程量清单应包括项目编码、项目名称、项目特征、计量单位、工程量和工程内容
D、工程量清单编制时,分部分项工程量清单项目名称应按附录的项目名称结合拟建工程的实际确定
E、投标人编制分部分项工程量清单的项目编码时,一至九位应按招标人提供的清单设置,十至十二位应根据拟建工程的工程量清单项目名称设置
2、建设工程综合费率只适用于编制设计概算,综合费用其费率包括下列哪些费用( )。
A、施工措施费
B、企业管理费
C、利润
D、税金
E、规费
3、编制招标控制价时不计算该项费用的( )。
A、优质工程增加费
B、专项检测费
C、风险费
D、创标化工地增加费
E、企业管理费
4、关于打拔工具桩工程,下列说法正确的是( )。
A、水深1~2m的打拔桩套用陆上作业定额
B、导桩及导桩夹木的制安、拆除包含在相应的定额中
C、定额已包括钢板桩、木桩的防腐费用
D、圆木桩按设计桩长*小头截面积计算工程量
E、槽型钢板桩按实际使用量列入定额中
5、关于《隧道工程》下列说法中正确的是( )。
A、定额已综合考虑超挖因素,所有超挖数量不得计入开挖工程量
B、平洞开挖出渣,采用人力装渣,轻轨斗车运输,运距按斜道长度计,分别乘以坡度调整系数
C、洞内施工排水,排水量按自重排水10m3/h计,排水量超过时抽水机台班乘以调整系数
D、隧道内衬现浇混凝土边墙,拱部均考虑了施工操作平台,竖井采用的脚手架已在定额中综合考虑,不得另行计算
E、沉井触变泥浆的工程量,按沉井外壁所围的平面投影面积乘以下沉深度,并乘以相应的土方回淤系数。
三、定额套用和换算(共3题,每小题5分,共15分。)
|
序号 |
工程项目内容 |
定额编号 |
计量单位 |
基价(元) |
计算式 |
|
1 |
彩色异型人行道板安砌,采用3cm厚M7.5水泥砂浆垫层(人行道板单价:60元/m2) |
|
|
|
|
|
2 |
埋设钻孔灌注桩钢护筒,桩径800mm,水上作业,钢护筒无法拔出时钢护筒埋设定额计价(钢护筒单价:5000元/t) |
|
|
|
|
|
3 |
M7.5干混砂浆砌筑桥梁引桥料石挡墙 |
|
|
|
|
四、综合计算题(共2题,共60分)
第一题(15分)某城镇(非市区)市政广场专业土石方工程,总面积为6万m2,平均挖深4.5m。工程建设合同工期为4个月(定额工期为5个月),拟于10月份开工,考虑材料二次搬运及冬雨施工因素。建设方委托某咨询公司编制施工图预算,要求采用工料单价法编制,不考虑风险因素。其中直接工程费和施工技术措施费如下表所示,规费2“危险作业意外伤害保险”和规费3“农民工工伤保险”根据该地规定,费率分别为0.7%和0.8%(取费基数同规费1).
试根据以上工程情况完成下列填表(不发生的施工组织措施费其费率、计算式及金额均填“0”,弹性费率取中值)。
|
序号 |
费用项目名称 |
费率(%) |
计算式 |
金额(万元) | |
|
一 |
直接工程费+施工技术措施费 |
|
|
6500.00 | |
|
1 |
其中 |
定额人工费+定额机械费 |
|
|
1600.00 |
|
二 |
施工组织措施项目清单费 |
|
|
| |
|
2 |
其中 |
安全文明施工费 |
|
|
|
|
3 |
检验试验费 |
|
|
| |
|
4 |
冬雨季施工增加费 |
|
|
| |
|
5 |
夜间施工增加费 |
|
|
| |
|
6 |
二次搬运费 |
|
|
| |
|
7 |
提前竣工增加费 |
|
|
| |
|
三 |
企业管理费 |
|
|
| |
|
四 |
利润 |
|
|
| |
|
五 |
规费 |
|
|
| |
|
8 |
其中 |
规费1 |
|
|
|
|
9 |
规费2 |
|
|
| |
|
10 |
规费3 |
|
|
| |
|
六 |
税金 |
|
|
| |
|
七 |
建设工程造价 |
|
|
| |
注:1、答题卷中仅对阴影处数据进行填写;
2、费率保留百分比后3位小数;
3、金额保留小数点后2位小数。
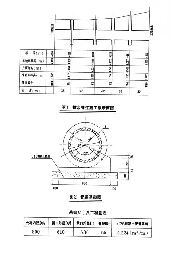
第二题(45分)某市政污水管道工程,采用Φ500*3000mm钢筋混凝土承插管(O型胶圈接口),人机配合下管,135o混凝土管道基础,管道平均埋设深度为2.557m,具体结构如图1、2所示(起、终点为已建1000*1000mm方井)。检查井为1000*1000mm砖砌落底方型污水检查井(具体结构如图形3、4所示),平均井深3.057m。管道铺设完成后,需进行闭水试验。
已知:
①本工程现浇混凝土采用非泵送商品混凝土,检查井盖板及井圈现场集中预制,不考虑场内运输费;
②沟槽土方为三类干土,清单土方开挖工程量为642.22m3,清单土方回填工程量为500.49m3(回填土方密实度97%),弃土外运工程量为66.66m3,运距及堆场费用等由投标人自行考虑;
③π取3.1416。
试根据以上条件,完成下列内容:
1、根据清单计价规范编制该污水管道(含土方)工程的分部分项工程量清单。
2、结合2010版浙江省市政工程计价依据,完成Φ500钢筋混凝土管道铺设清单综合单价计算表。其中工程为单独排污工程,人、材、机市场价按定额单价考虑,管理费和利润分别按相应费率的中值计取,不计风险费用。
注:计算结果保留两位小数,合价保留整数。
(计算过程均保留2位小数,π取3.1416.)
分部分项工程量清单表
工程名称:某市政污水管工程
|
序号 |
项目编码 |
项目名称 |
项目特征描述 |
计量单位 |
工程数量 |
|
1 |
|
|
|
|
|
|
2 |
|
|
|
|
|
|
3 |
|
|
|
|
|
|
4 |
|
|
|
|
|
|
5 |
|
|
|
|
|
工程量计算书
|
序号 |
项目名称 |
单位 |
计算公式 |
数量 |
|
Φ500钢筋混凝土管道铺设清单所涉及的定额子目列项,并计算全部工程量 | ||||
|
1 |
|
|
|
|
|
2 |
|
|
|
|
|
3 |
|
|
|
|
|
4 |
|
|
|
|
|
5 |
|
|
|
|
|
6 |
|
|
|
|
|
|
|
|
|
|
工程量清单综合单价计算表
工程名称:某市政污水管工程
|
序号 |
编码 |
名称 |
计量 |
数量 |
综合单价(元) |
合 | ||||||
|
人工费 |
材料费 |
机械费 |
管理费 |
利 |
风险 |
小 | ||||||
|
1 |
|
混凝土管道铺设(项目特征同上表) |
|
|
|
|
|
|
|
|
|
|
|
2 |
|
|
|
|
|
|
|
|
|
|
|
|
|
|
|
|
|
|
|
|
|
|
|
|
|
|
|
|
|
|
|
|
|
|
|
|
|
|
|
|
|
|
|
|
|
|
|
|
|
|
|
|
|
|
|
|
|
|
|
|
|
|
|
|
|
|
|
|
|
|
|
|
|
|
|
|
|
|
|
|
|
|
|
合 计: |
| |||||||||||
该工程综合单价中管理费和利润的费率分别为()%和( )%。
注:序号“1”一行按清单列,序号“2”一行及以下按定额列。
参考答案
一、单项选择题
|
1 |
2 |
3 |
4 |
5 |
6 |
7 |
8 |
9 |
10 |
|
D |
C |
C |
A |
B |
A |
D |
C |
A |
A |
|
11 |
12 |
13 |
14 |
15 |
|
|
|
|
|
|
C |
B |
C |
B |
D |
|
|
|
|
|
二、多项选择题
|
1 |
2 |
3 |
4 |
5 |
|
BD |
BCE |
ABD |
BC |
ACD |
三、定额套用和换算
|
序号 |
定额编号 |
计量单位 |
基价(元) |
计算式 |
|
1 |
2-215h |
100m2 |
7743.95 |
898.7*1.1+2426.37+(3/2-1)*2.12*168.17+(60-20)*103+20.5*3/2 |
|
2 |
3-112h |
10m |
7638.91 |
887+(0.15537*10-0.033)*4440 |
|
3 |
3-157h |
10m3 |
3375.81 |
3168+(405.45-168.17)*0.92-0.92*0.2*43-0.11*0.4*58.57 |
四、综合计算题
第一题(15分)
|
序号 |
费用项目名称 |
费率% |
计算式 |
金额(万元) | |
|
一 |
直接工程费+施工技术措施费 |
|
|
6500 | |
|
1 |
其中 |
定额人工费+定额机械费 |
|
|
1600 |
|
二 |
施工组织措施项目清单费 |
|
|
89.18 | |
|
2 |
其中 |
安全文明施工措施费 |
2.274 |
1600×2.274% |
36.38 |
|
3 |
检验试验费 |
0 |
1600×0% |
0 | |
|
4 |
冬雨季施工增加费 |
0.19 |
1600×0.19% |
3.04 | |
|
5 |
夜间施工增加费 |
0 |
1600×0 |
0 | |
|
6 |
二次搬运费 |
0.71 |
1600×0.71% |
11.36 | |
|
7 |
提前竣工增加费(20%以内) |
2.04% |
1600×2.4% |
38.4 | |
|
三 |
企业管理费 |
3.5 |
1600×3.5% |
56 | |
|
四 |
利润 |
2.5 |
1600×2.5% |
40 | |
|
五 |
规费 |
|
7+8+9 |
40.8 | |
|
8 |
其中 |
规费1 |
1.05 |
1600×1.05% |
16.8 |
|
9 |
规费2 |
0.7 |
1600×0.7% |
11.2 | |
|
10 |
规费3 |
0.8 |
1600×0.8% |
12.8 | |
|
六 |
税金 |
3.513 |
6725.98×3.513% |
236.28 | |
|
七 |
建设工程造价 |
|
一+二+三+四+五 |
6962.26 | |
第二题(45分)
分部分项工程量清单表
工程名称:某市政污水管工程
|
序号 |
项目编码 |
项目名称 |
项目特征描述 |
计量单位 |
工程数量 |
|
1 |
040101002001 |
挖沟槽土方 |
三类土,平均挖深2.93m |
m3 |
642.22 |
|
2 |
040103001001 |
填方 |
回填土,压实度97% |
m3 |
500.49 |
|
3 |
040103002001 |
余方弃置 |
余土外运,运距投标人自定 |
m3 |
66.66 |
|
4 |
040501002001 |
混凝土管道铺设 |
D500*3000mm钢筋混凝土承插管(O型胶圈接口)135°混凝土(C25)管道基础;C15混凝土垫层100mm;平均埋设深度2.557m |
m |
200 |
|
5 |
040504001001 |
砌筑检查井 |
1000*1000mm砖砌矩形检查井,M10水泥砂浆,落底高度0.5m,平均井深3.057m;碎石垫层400mm,C15素混凝土垫层100mm |
座 |
4 |
工程量计算书
|
序号 |
项目名称 |
单位 |
计算公式 |
数量 |
|
Φ500钢筋混凝土管道铺设清单所涉及的定额子目列项,并计算全部工程量 | ||||
|
1 |
C15素混凝土垫层 |
m3 |
1.08*0.1*(200-5*1) |
21.06 |
|
2 |
C25混凝土平基 |
m3 |
0.88*0.06*195 |
10.30 |
|
3 |
C25混凝土管座 |
m3 |
0.224*195-10.30 |
33.38 |
|
4 |
D500管道铺设 |
m |
200-5*1 |
195 |
|
5 |
O型胶圈接口 |
个 |
(36-1)/3=12根,11个接口 |
62 |
|
6 |
管道闭水试验 |
m |
200 |
200 |
工程量清单综合单价计算表
工程名称:某市政污水管工程
|
序号 |
编码 |
名称 |
计量单位 |
数量 |
综合单价(元) |
合 | ||||||
|
人工费 |
材料费 |
机械费 |
管理费 |
利润 |
风险费用 |
小 | ||||||
|
1 |
040501002001 |
混凝土管道铺设(项目特征同上表) |
m |
200 |
15.88 |
465.89 |
3.19 |
2.29 |
2.00 |
0.00 |
489 |
|
|
2 |
6-269 |
非泵送C15混凝土垫层 |
m3 |
21.06 |
338.69 |
5710.42 |
43.57 |
45.87 |
40.14 |
0 |
6178.69 |
|
|
3 |
6-277h |
C25非泵送商品混凝土平基 |
m3 |
10.30 |
254.22 |
3260.67 |
9.77 |
31.68 |
27.72 |
0 |
3584.07 |
|
|
4 |
6-283h |
C25非泵送商品混凝土管座 |
m3 |
33.38 |
887.47 |
63857.24 |
31.58 |
110.29 |
96.50 |
0 |
64983.07 |
|
|
5 |
6-31 |
D500管道铺设 |
m |
195 |
1063.22 |
19025.37 |
552.49 |
193.89 |
169.65 |
0 |
21004.62 |
|
|
6 |
6-179 |
O型胶圈接口 |
个口 |
62 |
434.56 |
1050.53 |
0.00 |
52.15 |
45.63 |
0 |
1582.86 |
|
|
7 |
6-212 |
管道闭水试验 |
m |
200 |
196.94 |
272.82 |
0.00 |
23.63 |
20.68 |
0 |
514.07 |
|
|
合 计:97847 |
| |||||||||||
该工程综合单价中管理费和利润的费率分别为(12)%和(10.5)%。
注:序号“1”一行按清单列,序号“2”一行及以下按定额列。
京公网安备 11010802026788号